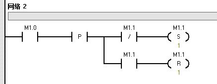
本想实现一个按一下(用M1.0模拟)置位M1.1,再按一下复位的功能,却怎么也不执行,麻烦专家帮忙看看什么原因(去掉下一个分支,同样无法置位)?
后来通过增加中间变量(见下图)来搞定的,但是不明白原因,求解释:
-
-
-
zhanghe 发表于 2016/2/23 7:44:21
2楼 回复本楼程序是从上至下,从左至右顺序执行的。
第一个方案,当M1.1刚被置位,下一行执行时条件就成立了,又被复位了。所以,二行程序的M1.1,是同一个变量,却不是同一个值。
第二个方案,用M1.2暂存M1.1的值,M1.2在程序执行中可以保持同一个值。
引用 zhanghe 2016/2/23 7:44:21 发表于2楼的内容
-
-
-

-
-
qjj9412786 | 当前状态:在线
总积分:3325 2025年可用积分:0
注册时间: 2012-05-30
最后登录时间: 2025-02-15
-
-
qjj9412786 发表于 2016/2/23 9:31:44
3楼 回复本楼2楼解释的非常到位,赞。
引用 qjj9412786 2016/2/23 9:31:44 发表于3楼的内容
-
-
引用 sweect 2016/2/23 9:56:29 发表于4楼的内容
-
引用 sweect 2016/2/23 9:56:32 发表于5楼的内容
-
-

-
-
ytzidonghua | 当前状态:在线
总积分:11263 2025年可用积分:0
注册时间: 2006-09-18
最后登录时间: 2024-08-02
-
-
ytzidonghua 发表于 2016/2/23 15:19:49
6楼 回复本楼计数 比较 等于1 置位
等于2 复位
简单 容易理解
引用 ytzidonghua 2016/2/23 15:19:49 发表于6楼的内容
-