您的位置:控制工程论坛网论坛 » 教程与手册 » 数字电压表的制作

cio

cio   |   当前状态:离线

总积分:930  2026年可用积分:0

注册时间: 2006-06-09

最后登录时间: 2007-01-25

空间 发短消息加为好友

数字电压表的制作

cio  发表于 2006/6/22 16:06:00      1101 查看 0 回复  [上一主题]  [下一主题]

手机阅读

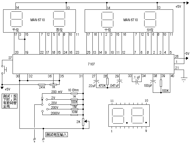
ICL7107是一块应用非常广泛的集成电路。它包含3 1/2位数字A/D转换器,可直接驱动LED数码管,内部设有参考电压、独立模拟开关、逻辑控制、显示驱动、自动调零功能等。这里我们介绍一种她的典型应用电路--数字电压表的制作。其电路如附图。 制作时,数字显示用的数码管为共阳型,2K可调电阻最好选用多圈电阻,分压电阻选用误差较小的金属膜电阻,其它器件选用正品即可。

 

1楼 0 0 回复